Spindelled-Tapphylsa Mercedes M-Klass Spindelled-Tapphylsa Mercedes M-Klass Spindelled-Tapphylsa Mercedes M-Klass Spindelled-Tapphylsa Mercedes M-Klass Spindelled-Tapphylsa för Mercedes-M-Klass


Artikelnummer:
BGS5420

Tapphylsa Mercedes M-Klass

340 kr
Finns i lager
Finns ej i lagret
.
Finns ej i lagret
Produktbeskrivning:

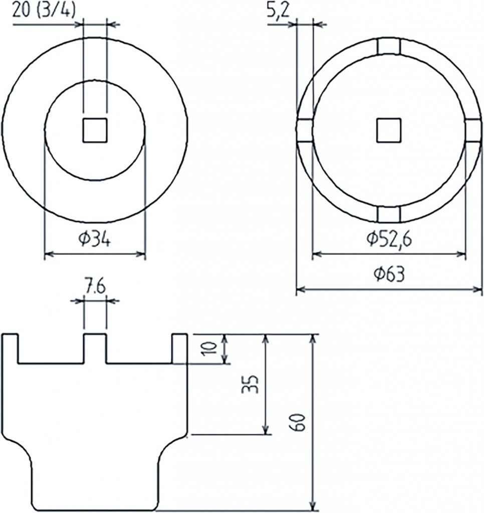
Denna spindelled-tapphylsa för Mercedes M-Klass är ett professionellt specialverktyg för demontering och montering av spindelleder. Hylsan underlättar arbetet genom att möjliggöra säker lossning och åtdragning av spindelledernas låsmuttrar med korrekt vridmoment – perfekt för både fram- och bakaxel.

Fördelar

  • Specialanpassad för Mercedes M-Klass spindelleder

  • Gör bytet snabbt, säkert och professionellt

  • Lämplig för nedre spindelleder på fram- och bakaxel

  • Robust 3/4" fäste för högt vridmoment

Kompatibla fordon

  • Mercedes M-Klass W163 (fram till juni 2005)

  • Mercedes M-Klass W164 (från 2005 →)

Tekniska specifikationer

  • Fäste: 3/4"

  • För nedre spindelleder på fram- och bakaxel

  • Avsedd för professionell verkstadsanvändning



Produkter
Övrigt